|  | 
| Schematic design of PCB board with all components- version 0.1 - incorrect => requires modification | 
|  | 
| Schematic design of PCB board with all components - version 0.1a => modification Revised 0.1 | 
https://docs.google.com/file/d/0B1TmUZoDBigxdlpaMGZKZjNScHc/edit?usp=sharing
|  | 
| Drawing connected CAN board and Raspberry Pi | 
|  | 
| From left: Top Copper, Top Solder Mask, Top Silkscreen, Bottom Copper, Bottom Solder Mask, Drill Data | 
|  | 
| Pin Diagram and Pin Description of MCP2515 CAN board Raspberry Pi | 
|  | 
| Pin Diagram and Pin Description of MCP2515 CAN board for ARM and ATmega microcontrollers | 
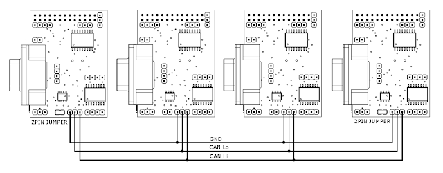
|  | 
| How to Connect Multiple Raspberry Pi CAN Board with CANbus - CAN bus ISO 11898-2 Topology | 
|  | 
| Case for Raspberry Pi and CAN Board - created on RepRap Open Source 3D Printer | 
| First CAN Board for Raspberry Pi manufacture in the PL | 
https://docs.google.com/open?id=0B1TmUZoDBigxcDQza0FwY2R5OUE
what is gerber?
http://en.wikipedia.org/wiki/Gerber_format
|  | 
| Minimal configuration for start with CANbus - 3.3V or 5V | 
| Tabele from MCP2515 datasheet - how to select the resonator and capacitor | 
List of elements in minimal configuration:
Component Value Qty
-----------------------------------------------
2WP 1
3WP 3
4WP 1
C 22pF 2
C 100nF 2
LED_MINI 1
MCP2515-X_SO 1
MCP2551-X_SN 1
R 0.1W SMTF 0 1
R 0.1W SMTF 2.2K 1
R 0.1W SMTF 10 1
R 0.1W SMTF 100K 3
R 0.1W SMTF 120 1
XTAL 16.000 MHZ 1
-----------------------------------------------
What is inside?
Version 0.1:
MCP2515 - Stand-Alone CAN Controller with SPI Interface
MCP2551 - high-speed can transceiver
PCF8574 - Remote 8-bit I/O expander for I2C-bus
http://www.nxp.com/documents/data_sheet/PCF8574.pdf
Version 0.1a:
PCF8583 - I2C-BUS COMPATIBLE REAL TIME CLOCK MODULE
24C32 - 32K-bit. 2-WIRE (I2C) SERIAL CMOS EEPROM
TMP100 - temp sensor (I2C), temperaturę range of −55°C to +125°C
Sample "Source Code in Python" for the components on the board:
TMP100
TMP100_Config_Read_Temp.pyEPROM 24C32
PCF8583P_getTime.py
PCF8583P_setTime_from_PCF8583_to_OS.py
PCF8583P_setTime.py
PCF8583P_setTime_fromOS.py
|  | 
| The test circuit PCF8583 | 
more soon...


